sump i podmiana
- mkozubski
- entuzjasta

- Posty: 780
- Rejestracja: 09 gru 2004, 23:56
- Imie i Nazwisko: Maciej Kozubski
- Miejsce zamieszkania/miasto/: Chorzów
- Lokalizacja: Chorzów
- Kontaktowanie:
sump i podmiana
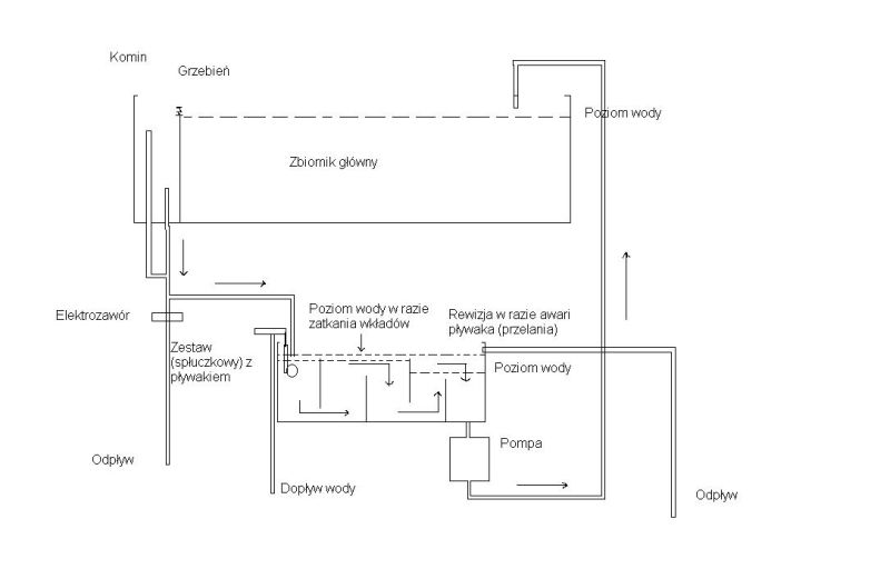
czy toto będzie działać ??
- Załączniki
-
- schemat akwa sump forum2.jpg (22.82 KiB) Przejrzano 4871 razy
- mirek
- zarząd pkmd
- Posty: 1631
- Rejestracja: 07 gru 2004, 10:31
- Imie i Nazwisko: Mirek Żak
- Miejsce zamieszkania/miasto/: Wadowice
- Lokalizacja: Wadowice
- Kontaktowanie:
Re: sump i podmiana
skupie się na mankamentach tego rozwiązania;
1. elektrozawór do podmiany. - cały czas będą syfki stały w rurce przed nim i albo będzie miał problem się otworzyć albo co gorsza zamkąć się całkowicie. Proponuję zastosować małą pompeczkę, która włączy się na pewien określony czas i wypompuje wodę z sumpa do odpływu. Wydajność pompy nie może dużo odstawać od przepływu dolewanej wody. NAJLEPIEJ ZASTOSOWAĆ ZAWÓR DŁAWIĄCY.
IMHO pewniejsze rozwiązanie.
2. jakoś nie wierzę spłuczkom - może dlatego że często muszę w domu poprawiać bo ciągle gdzieś przecieka. Na dodatek nie są to precyzyjne urządzenia . 2 cm poziom wody będzie brykał. Proponuję założyć czujnik poziomu wody podłączoną do pompy. w razie potrzeby pompa doleje przygotowaną do podmiany wodę, lub elektrozawór podłączony do sieci z czystą wodą. Oba te rozwiązania mam zastosowane u siebie i spisują się nieźle.
3. WOda czysta do pomiany może być wpięta bezpośrednio do rury z pompy głównej. Unikniesz dodatkowego wiercenia w suficie.
4. Bardzo ważna sprawa - rezerwa w sumpie na nagły wzrost poziomu wody. minimum 30 litrów ( DO PRZELEWKI). W razie zaniku prądu w ciągu 20 sekund spłynie dodatkowo do sumpa taka ilość wody, a rurką 3/4 cala tyle nie jest w stanie wypłynąć ( w poziomie)
1. elektrozawór do podmiany. - cały czas będą syfki stały w rurce przed nim i albo będzie miał problem się otworzyć albo co gorsza zamkąć się całkowicie. Proponuję zastosować małą pompeczkę, która włączy się na pewien określony czas i wypompuje wodę z sumpa do odpływu. Wydajność pompy nie może dużo odstawać od przepływu dolewanej wody. NAJLEPIEJ ZASTOSOWAĆ ZAWÓR DŁAWIĄCY.
IMHO pewniejsze rozwiązanie.
2. jakoś nie wierzę spłuczkom - może dlatego że często muszę w domu poprawiać bo ciągle gdzieś przecieka. Na dodatek nie są to precyzyjne urządzenia . 2 cm poziom wody będzie brykał. Proponuję założyć czujnik poziomu wody podłączoną do pompy. w razie potrzeby pompa doleje przygotowaną do podmiany wodę, lub elektrozawór podłączony do sieci z czystą wodą. Oba te rozwiązania mam zastosowane u siebie i spisują się nieźle.
3. WOda czysta do pomiany może być wpięta bezpośrednio do rury z pompy głównej. Unikniesz dodatkowego wiercenia w suficie.
4. Bardzo ważna sprawa - rezerwa w sumpie na nagły wzrost poziomu wody. minimum 30 litrów ( DO PRZELEWKI). W razie zaniku prądu w ciągu 20 sekund spłynie dodatkowo do sumpa taka ilość wody, a rurką 3/4 cala tyle nie jest w stanie wypłynąć ( w poziomie)
Kto jest online
Użytkownicy przeglądający to forum: Obecnie na forum nie ma żadnego zarejestrowanego użytkownika i 5 gości